《妻子与瑜伽教练》主演是谁,芳草地影院免费高清电视剧,战狼行动2蓝衣战神

Pietra Calacatta

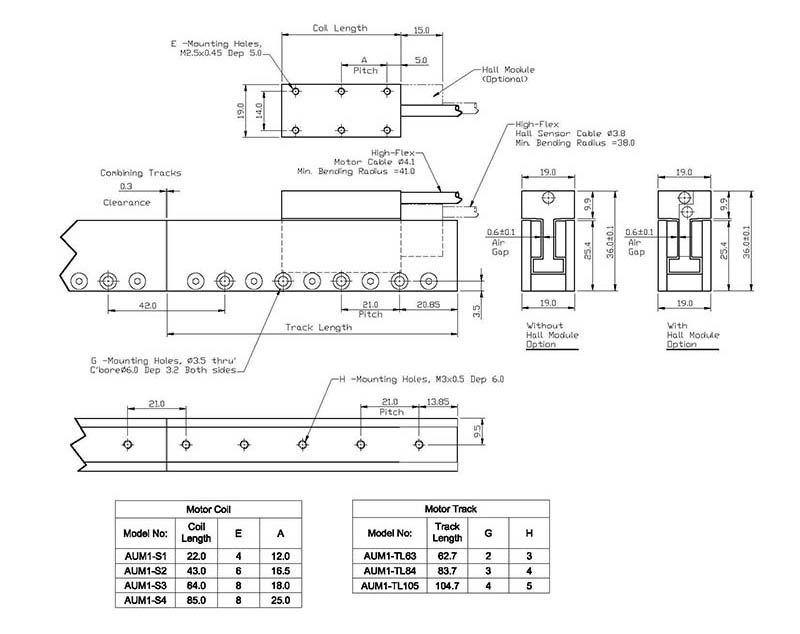
雅科贝思 直线电机 无刷无铁芯电机

设计特点: A.无铁芯技术 B.无齿槽力 C.专利技术 D.电机常数高 E.高持续推力和峰值力 可选性:可定制 规格/3D图纸 AUM1 AUM2 尺寸图 AUM1 AUM2

详细介绍

设计特点:
 
     A.无铁芯技术
     B.无齿槽力
     C.专利技术
     D.电机常数高
     E.高持续推力和峰值力
 
可选性:可定制


规格/3D图纸

AUM1


AUM2


尺寸图
AUM1


AUM2

 

图片欣赏

宽田科技 ?2013-2024(www.0826wp.cn)

本站关键词:工业机器人丨伺服电机丨直线电机丨DD马达丨模组丨视觉传感器丨传感器丨气缸丨电磁阀丨真空吸盘丨真空发生器丨拖链
主站蜘蛛池模板: 天台县| 平昌县| 固安县| 沁阳市| 桂阳县| 林芝县| 海阳市| 桃江县| 吕梁市| 昌乐县| 米泉市| 七台河市| 宝山区| 上杭县| 托克逊县| 荣成市| 稻城县| 凌海市| 微博| 伊宁县| 岗巴县| 香格里拉县| 达州市| 永德县| 广东省| 阿鲁科尔沁旗| 唐山市| 泾源县| 阿合奇县| 中牟县| 屯昌县| 雅安市| 宜州市| 中山市| 通许县| 清远市| 长宁区| 新丰县| 米泉市| 枣强县| 潜山县|